13333885805
lyjc@lyjc-bearing.com
首页
English
中文
晶承科技
首页
回转支承
单排交叉滚子回转支承
四点球接触回转支承
三排滚子回转支承
双排球回转支承
法兰回转支承
凯顿回转支承系列
精密交叉滚子
CRB 系列
CRBH 系列
RU 系列
YRT 系列
高精密系列
其他轴承
挖机转盘
汽车吊转盘
其他零部件
公司动态
工厂展示
联系我们
关于我们
轴承详情
首页
轴承详情
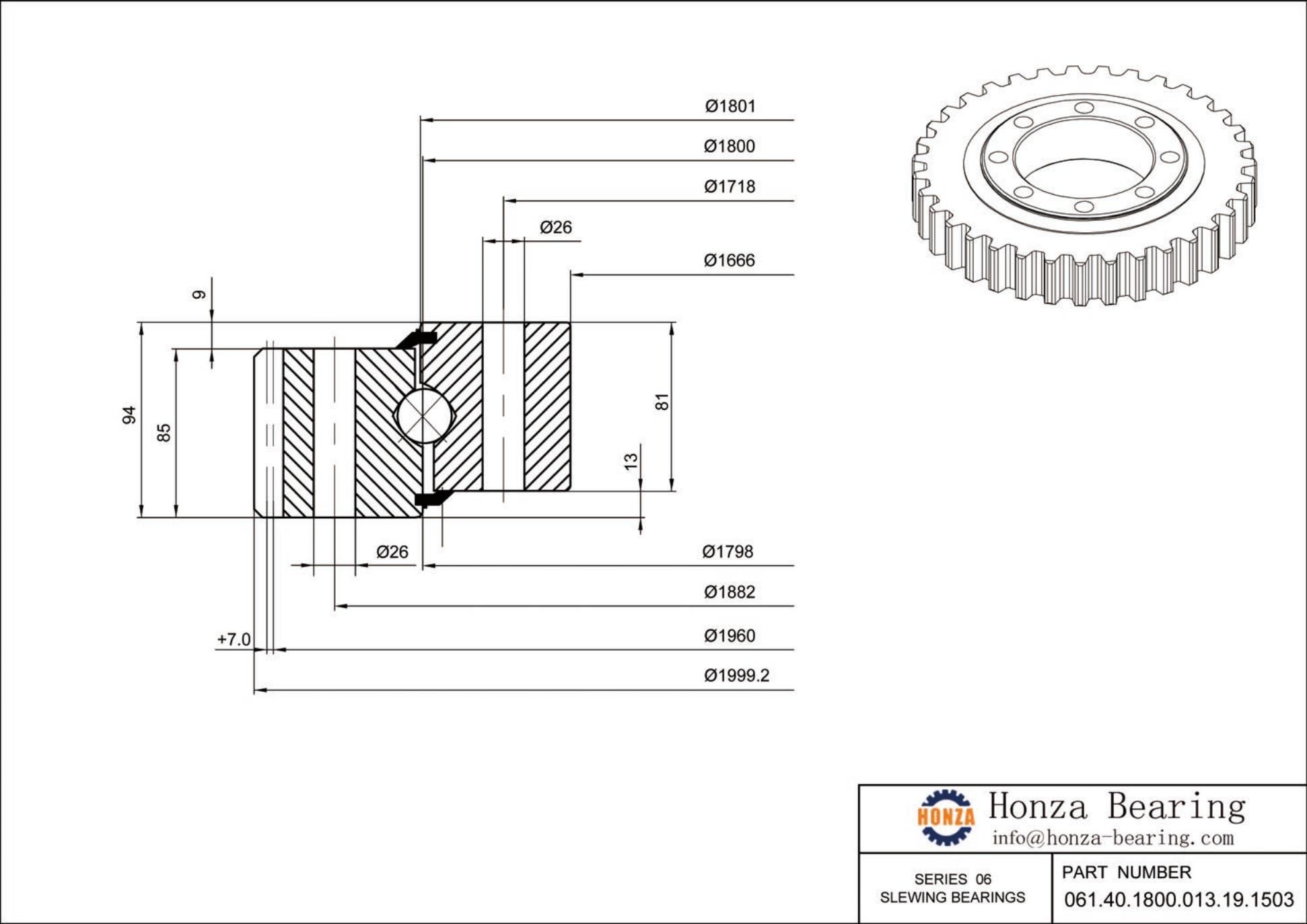
四点球接触外齿-H061.40.1800.013.19.1503
点击:
323
时间:
2024/1/3
来源:
晶承科技
上一页:
四点球接触外齿-H061.25.0980.890.11.1503
(2024/1/3)
下一页:
四点球接触外齿-H061.20.0400.100.11.1503
(2024/1/3)
请留下您的联系方式和需求
除了生产标准回转支承和回转驱动,洛阳晶承科技也提供机床零部件,机械非标零件的加工。
联系我们
请填入您的姓名...
* 输入您的邮箱...
补充信息(请不要超过1000字符)
提交咨询