KH 系列转台轴承外径尺寸范围是 16 至37 英寸(400 至 950mm)。该系列轴承可以提供精确定位和高重复性,适用于持续旋转、间歇旋转和摆动运动的场合。完美的内凹密封可以帮助排出污染杂质。
KH 系列轴承广泛应用于需要高精度的场合,包括精密旋转分度台、雷达天线、卫星天线、机器人、医疗设备、机床工作台、任何 KH 系列轴承需要与其他精密部件接触的场合。

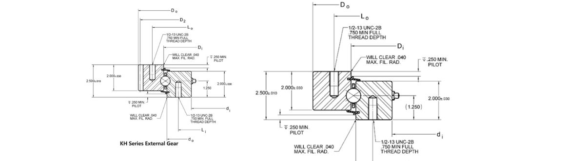
| KH Series | ||||||||||||||
| Part Number | Gear | Do (in) | di (in) | H(in) | Ho(in) | Hi(in) | Di(in) | do(in) | Lo(in) | Li(in) | D2(in) | Fz | C0a | moment(ft-lbs) |
| KH-125E | External Gear | 16.5" | 8.625" | 2.5" | 2.000" | 2.000" | 12.75" | 12.25" | 14.75" | 10.25" | 16.167" | 5480 lbs | 60000 lbs | 25800 ft-lbs |
| KH-125P | Without Gear | 16.5" | 8.625" | 2.5" | 2.000" | 2.000" | 12.75" | 12.25" | 14.75" | 10.25" | - | - | 60000 lbs | 25800 ft-lbs |
| KH-166E | External Gear | 20.5" | 12.75" | 2.5" | 2.000" | 2.000" | 16.875" | 16.375" | 18.875" | 14.375" | 20.167" | 5570 lbs | 82800 lbs | 45200 ft-lbs |
| KH-166P | Without Gear | 20.5" | 12.75" | 2.5" | 2.000" | 2.000" | 16.875" | 16.375" | 18.875" | 14.375" | - | - | 82800 lbs | 45200 ft-lbs |
| KH-225E | External Gear | 26.667" | 18.5" | 2.5" | 2.000" | 2.000" | 22.75" | 22.25" | 24.5" | 20.5" | 26.333" | 5670 lbs | 115200 lbs | 56000 ft-lbs |
| KH-225P | Without Gear | 26.7" | 18.5" | 2.5" | 2.000" | 2.000" | 22.75" | 22.25" | 24.5" | 20.5" | - | - | 115200 lbs | 56000 ft-lbs |
| KH-275E | External Gear | 31.667" | 23.5" | 2.5" | 2.000" | 2.000" | 27.75" | 27.25" | 29.5" | 25.5" | 31.333" | 5700 lbs | 142000 lbs | 75000 ft-lbs |
| KH-275P | Without Gear | 31.7" | 23.5" | 2.5" | 2.000" | 2.000" | 27.75" | 27.25" | 29.5" | 25.5" | - | - | 142000 lbs | 75000 ft-lbs |
| KH-325E | External Gear | 36.667" | 28.5" | 2.5" | 2.000" | 2.000" | 32.75" | 32.25" | 34.5" | 30.5" | 36.333" | 5730 lbs | 167000 lbs | 92000 ft-lbs |
| KH-325P | Without Gear | 36.7" | 28.5" | 2.5" | 2.000" | 2.000" | 32.75" | 32.25" | 34.5" | 30.5" | - | - | 167000 lbs | 92000 ft-lbs |
晶承科技