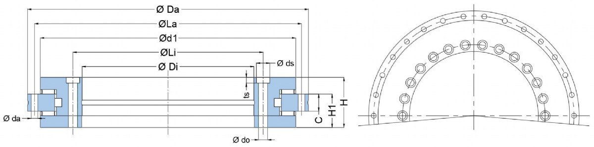
YRT转台轴承是种外圈旋转,内圈支撑的回转机构,主要分为YRT型、YRTS型、YRTM型三大系列,此三系列轴承具有相同的安装尺寸,内部结构存在差异,性能相似。YRT系列轴承均有三列滚子构成,两列轴向滚子保证稳定的轴向承载能力,列径向滚子保证轴承可承受径向力及倾覆力矩作用,适合轴向承载的回转机构。YRT转台轴承主要用于数控机床制造业。
YRT转台轴承由个推力/向心轴圈,个推力垫圈,两个滚针保持架组件和组向心圆柱滚子组成。 座圈和轴圈有均布的安装用螺钉孔。该型轴承具有高轴向和径向承载能力。高倾斜刚度和高的精度。适用于回转工作台,卡盘和铣刀头以及测量和实验中的轴承配置。该型轴承对与之相配的设备零件的要求也较高。安装时需控制安装螺钉的扭紧力矩。
适用范围:被广泛应用于精密回转台数控转台、立式磨床、分度头、滚齿机、铣齿机工件轴等精密装置。
| 公称型号Bearing Type | 外形尺寸 Dimension | 固定孔The fixing hole | |||||||||||||
| d | D | H | H1 | H2 | C | d1 | dn | dm | 内圈 Inner ring | 外圈Outer ring | |||||
| 单位:mm | do | ds | Ts | 数量4)QTY4) | dL | 数量4)QTY4) | |||||||||
| Unit:mm | mm | mm | |||||||||||||
| YRTS200 | 200 | 300 | 45 | 30 | 15 | 15 | 274 | 215 | 285 | 7 | 11 | 6.2 | 46 | 7 | 45 |
| YRTS260 | 260 | 385 | 55 | 36.5 | 18.5 | 18 | 345 | 280 | 365 | 9.3 | 15 | 8.2 | 34 | 9.3 | 33 |
| YRTS325 | 325 | 450 | 60 | 40 | 20 | 20 | 415 | 342 | 430 | 9.3 | 15 | 8.2 | 34 | 9.3 | 33 |
| YRTS395 | 395 | 525 | 65 | 42.5 | 22.5 | 20 | 486 | 415 | 505 | 9.3 | 15 | 8.2 | 46 | 9.3 | 45 |
| YRTS460 | 460 | 600 | 70 | 46 | 24 | 22 | 560 | 482 | 580 | 10 | 15 | 8.2 | 46 | 9.3 | 45 |
| 联接螺钉 | 螺纹退卸孔Connect Screw holes | 节距1) | 螺钉拧紧 | 基本额定载荷 | 限转速5) | 实际重量Weight | 轴承代号Type | ||||
| 数量 | Pitch1) | 力矩 | Basic rated load | Limited speed | |||||||
| Screw connection QTY | t | The tightening torque | 轴向Axial | 径向Radial | |||||||
| 动Dynamic | 静Static | 动Dynamic | 静Static | ||||||||
| MA2) | Ca | Coa | Cr | Cor | 脂润滑 | ||||||
| Grease lubrication | |||||||||||
| G | 数量 | 数量Xt | Nm | kN | r/min | ≈Kg | |||||
| 2 | M8 | 3 | 48×7.5° | 14 | 105 | 635 | 78 | 202 | 950 | 9.7 | YRT200 |
| 2 | M12 | 3 | 36×10° | 34 | 131 | 840 | 85 | 275 | 800 | 18.3 | YRT260 |
| 2 | M12 | 3 | 36×10° | 34 | 191 | 1260 | 109 | 300 | 680 | 25 | YRT325 |
| 2 | M12 | 3 | 48×7.5° | 34 | 214 | 1540 | 121 | 390 | 600 | 33 | YRT395 |
| 2 | M12 | 3 | 48×7.5° | 34 | 221 | 1690 | 168 | 570 | 500 | 45 | YRT460 |
晶承科技