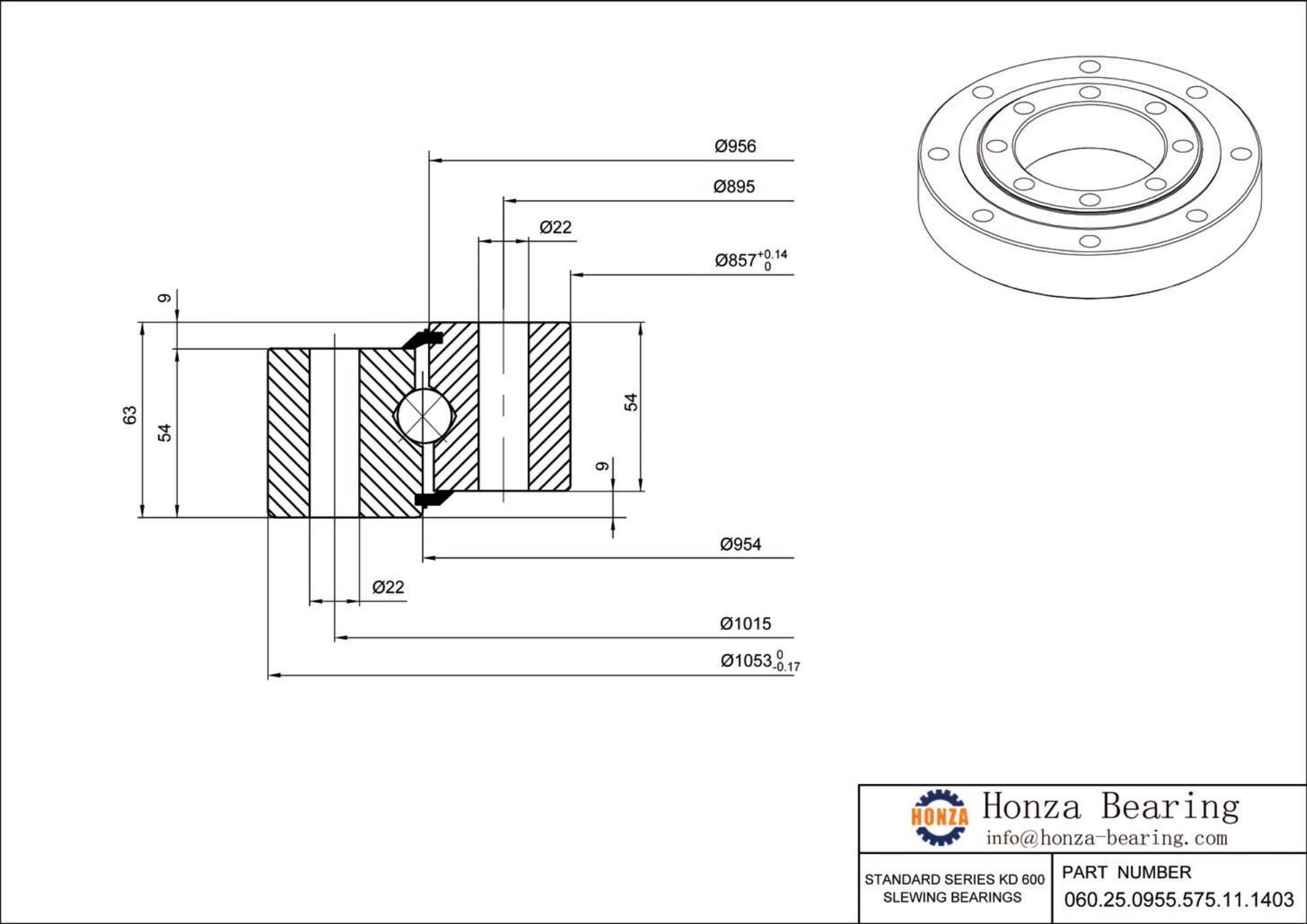
Four-Point Contact Ball Slew Ring-H060.25.0955.575.11.1403

060.25.0955.575.11.1403_00

Please leave message with your email and demand

Besides standard slewing bearings and slewing drives, Jing-Bearings Bearing also provides processing of machine tool parts and non-standard mechanical parts.

Contact Us