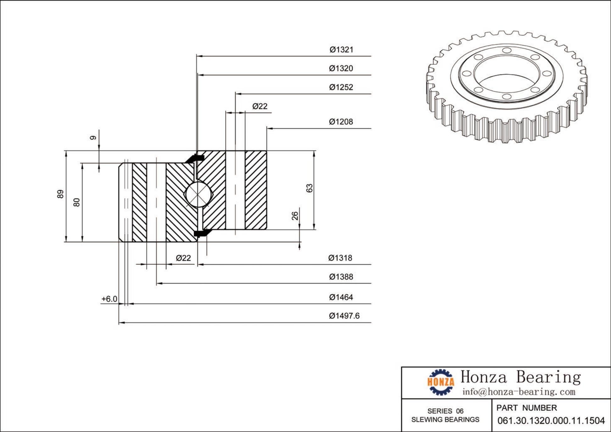
Four-Point Contact Ball Slew Ring-H061.30.1320.000.11.1504

061301320000111504_00

Please leave message with your email and demand

Besides standard slewing bearings and slewing drives, Jing-Bearings Bearing also provides processing of machine tool parts and non-standard mechanical parts.

Contact Us