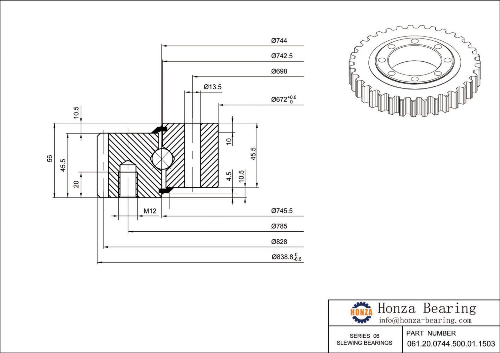
Four-Point Contact Ball Slew Ring-H061.20.0744.500.01.1503

061200744500011503_00

Please leave message with your email and demand

Besides standard slewing bearings and slewing drives, Jing-Bearings Bearing also provides processing of machine tool parts and non-standard mechanical parts.

Contact Us