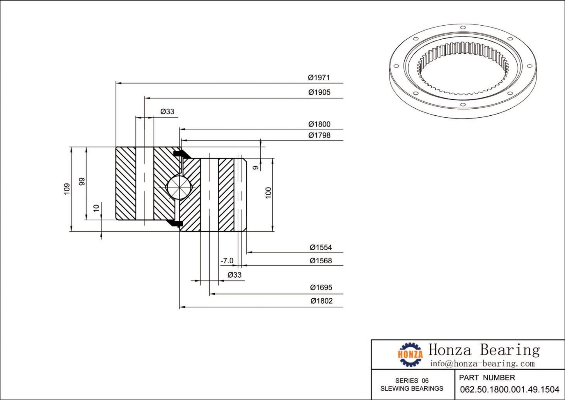
Four-Point Contact Ball Slew Ring-H062.50.1800.001.49.1504

062501800001491504_00

Please leave message with your email and demand

Besides standard slewing bearings and slewing drives, Jing-Bearings Bearing also provides processing of machine tool parts and non-standard mechanical parts.

Contact Us