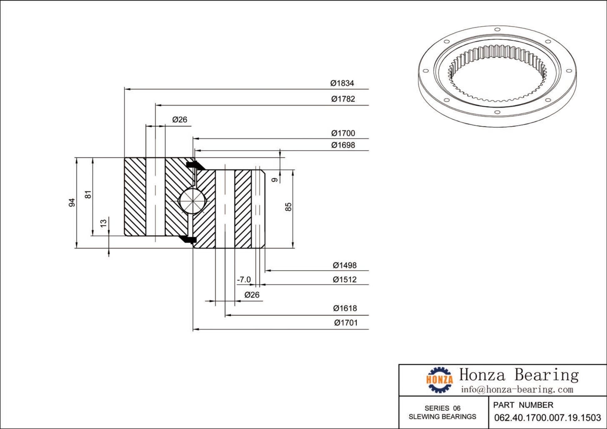
Four-Point Contact Ball Slew Ring-H062.40.1700.007.19.1503

062401700007191503_00

Please leave message with your email and demand

Besides standard slewing bearings and slewing drives, Jing-Bearings Bearing also provides processing of machine tool parts and non-standard mechanical parts.

Contact Us